
Shipping calculator
Payment methods
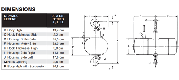
Product details
The superior design of the CM Lodestar electric chain hoist keeps getting better! The CM Lodestar Next Gen Style hoist delivers all of the great qualities of the Classic Style hoist with additional features, enhancing steady operation and smoother lifting. The Lodestar brand is world renowned for its reliability and performance over the past 3 decades. CM’s drive to innovate the market, along with valuable customer feedback has lead to the Next Gen Style Lodestar.
Some of the CM Lodestar Next Gen Style’s new and improved features include:
• Quieter operation• Environmentally conscious design
• More convenient access to components
• Higher duty cycles
• Less maintenance
• Enhanced safety
Mountain Productions’ own shop has worked on and used the CM Lodestar Next Gen Style hoist for years. Our Level 2 CM Certified rigging staff represents a wealth of CM product and technical knowledge, and inspects each hoist prior to shipment. We’re experienced in the extensive Lodestar family, and can provide the exact specifications that you require in your hoist.
• Capacity: 1000 kg
• Safety Factor: 5:1
• Lift: 18m / 25m / 40m
• Speed: 4.06 m/min / 8.12 m/min
• Voltage: 400V 3 Phase, 50 Hz
• 5 Pocket Liftwheel - improved chain wear and smooth lifting
• Clutch outside gear train - meets international standards
• Precision helical gearing - for quieter operation
• Redesigned control panel - for easier access and fuse installation
• Heavy-Duty DC Brake - designed for long service life, the brake location allows for quick access and easy inspection.
• Low Voltage Control - 110 Volt for long cable runs without voltage drop 24 & 48 Volt optional (Low voltage unit only)
• Durable and lightweight housing - cast aluminum, black powder coated finish for low visibility
• Load Chain designed and manufactured by Columbus McKinnon. Zinc plated to protect against corrosion
• Duty Cycle - H-4 duty rated for heavy duty application. 2M FEM class. 50% Duty Cycle or 300 on/off per hour
• Adjustable limit switch
• Overload protector
• Metric rated
• Meets or exceeds requirements and world standards
• Lifetime warranty
CMCO Product safety warnings & precautions